The direct drive centrifugal fan types JK-D are designed for material handling.
Equipped with self-cleaning impellers with backward-inclined blades and aerodynamic intake. The impellers are statically and dynamically balanced.
Max. internal operating temperature: 60°C
Number of blades are reduced by 2 for paper impeller.
Available in stainless steel inlet and explosion-proof (Eex) motor.
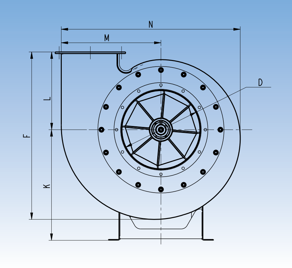
The inlet (D) is supplied with flange as standard.
If the fan is mounted in an acoustic booth, it is supplied with smooth inlet.
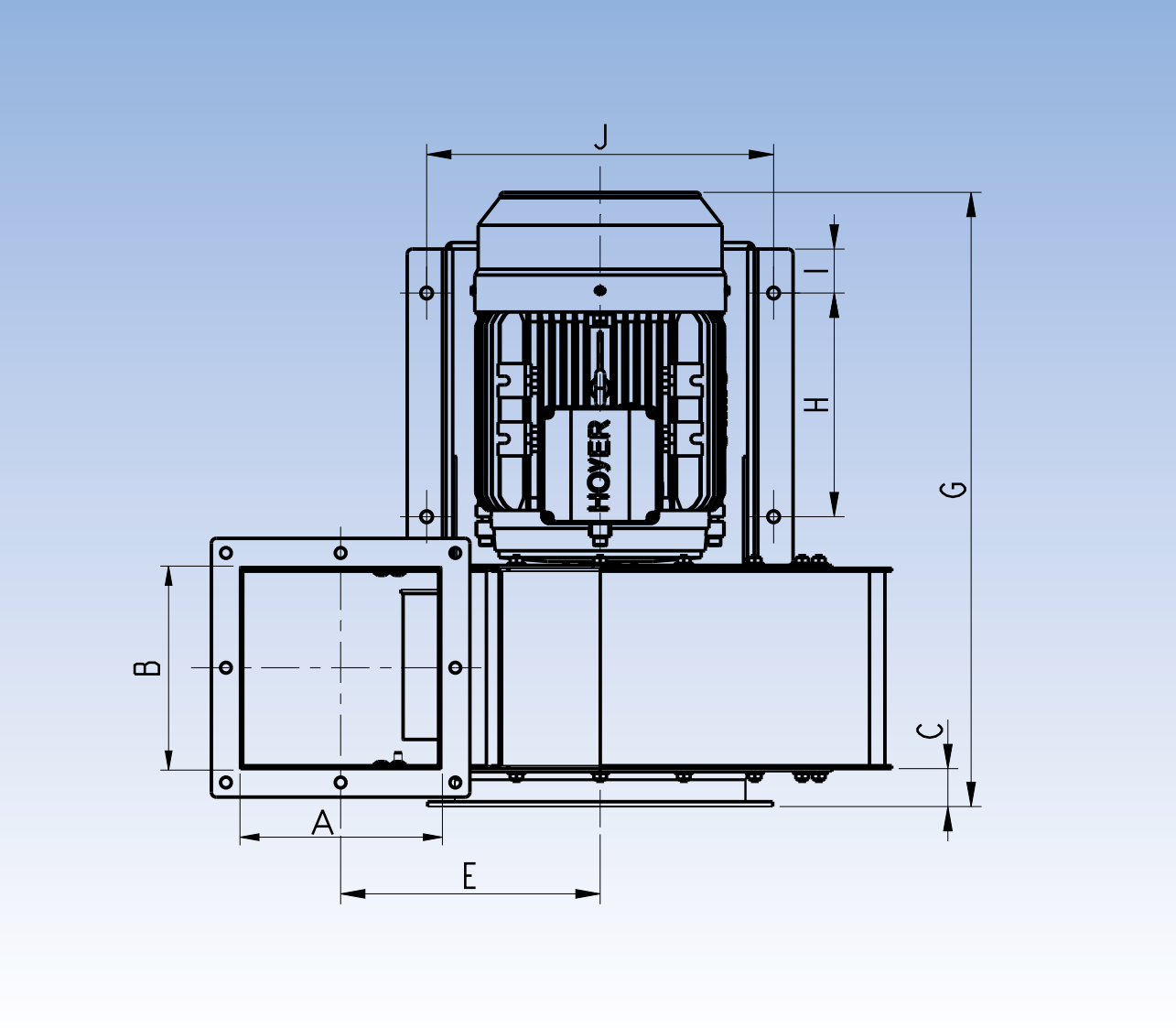
Specific dimensions for the outlet flanges can be found under “Flanges”.
Read all about JK-25D
Read all about JK-25D
Contact us today for a free consultation! Our team of experts will be happy to discuss your dust control challenges and answer any questions you may have. Let us show you how a custom-designed Solution Sales approach can transform your workplace and revolutionize your approach to dust extraction.